iphone13pro阴阳屏如何解决?iphone13pro阴阳屏解决方法
iphone13pro阴阳屏正常吗?
在判断一款显示器好坏的时候,我们总能看到“漏光”这个名词,就是在纯黑背景下屏幕四边会有白色的背光透出来。
手机的“阴阳屏”和其类似,只是更加严重:在纯黑背景下,屏幕内存在大范围的泛白现象;在纯白背景下,屏幕内某一区域存在发黄或偏暗的区域。
因此,凡是屏幕亮度、色彩表现不均匀的屏幕,都可被归类到“阴阳屏”的范畴中。
阴阳屏是属于mura屏的一种情况。Mura意思是不均匀、不一致或瑕疵。在显示器行业,这个单词已经被采纳为LCD屏幕和新型OLED屏幕上看到的不一致和“云斑”效应的正式名称。显示器屏幕上的Mura影响也称为亮度不均匀性,其会减损用户的观看体验,并可能会妨碍显示器的性能或功能。
OLED怎样解决阴阳屏问题
其实,亮度均匀性和残像一直以来都是OLED面临的两个主要难题,这个根本原因是工艺问题。要解决这两个问题,除了工艺的改善之外,就是补偿技术。补偿技术方法一般分为内部补偿和外部补偿两大类。内部补偿是指在像素内部利用TFT构建的子电路进行补偿的方法。外部补偿是指通过外部的驱动电路或设备感知像素的电学或光学特性然后进行补偿的方法。
那为什么需要补偿呢?
以下图这个最简单的AMOLED像素电路来说明,它由两个薄膜晶体管(TFT)构建像素电路为OLED器件提供相应的电流。
与一般的非晶硅薄膜晶体管(amorphous-Si TFT)相比,LTPS TFT和Oxide TFT具有更高的迁移率和更稳定的特性,更适合应用于AMOLED显示中。
在中小尺寸应用中多采用低温多晶硅薄膜晶体管(LTPS TFT),而在大尺寸应用中多采用氧化物薄膜晶体管(Oxide TFT)。
这是因为LTPS TFT迁移率更大,器件所占面积更小,更适合于高PPI的应用。
而Oxide TFT均匀性更好,工艺与a-Si兼容,更适合在高世代线上生产大尺寸AMOLED面板。
它们各有缺点
由于晶化工艺的局限性,在大面积玻璃基板上制作的LTPS TFT,不同位置的TFT常常在诸如阈值电压、迁移率等电学参数上具有非均匀性,这种非均匀性会转化为OLED显示器件的电流差异和亮度差异,并被人眼所感知,即mura现象。
Oxide TFT 虽然工艺的均匀性较好,但是与a-Si TFT类似,在长时间加压和高温下,其阈值电压会出现漂移,由于显示画面不同,面板各部分TFT的阈值漂移量不同,会造成显示亮度差异,由于这种差异与之前显示的图像有关,因此常呈现为残影现象,也就是通常所说的残像。
因此,在当前的工艺制作中,不管是LTPS还是Oxide都存在均匀性或稳定性的问题,而且OLED本身也会随着点亮时间的增加亮度逐渐衰减。
既然这些问题难以在工艺上完全克服,就必须要在设计上通过各种补偿技术来解决。通常OLED的发光亮度和电流成正比,而电流是由TFT提供的,与TFT的特性参数相关。电流通常表示为:
I=kCox(Vgs-Vth)2(1+λVds)
k是和TFT迁移率有关的参数,Vgs和Vds又和电源电压与OLED驱动电压有关。
可知影响电流大小的参数有TFT迁移率、阈值电压,OLED的驱动电压以及电源电压的大小。
补偿技术的主要目的就是要消除这些因素的影响,最终让所有像素的亮度达到理想值。
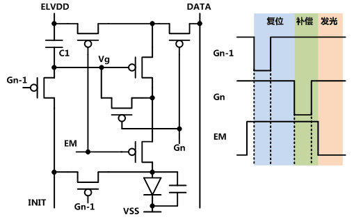
内部补偿下图是一个典型的内部补偿型电路,它由7个TFT和1个存储电容组成,因此被简称为7T1C结构。
类似还有6T1C,5T2C等很多类似电路结构,经过近几年的不断研究和发展,内部补偿电路的拓扑结构几乎已被穷尽,很难再有实用性的结构创新。
这种像素电路工作时一般都会有三个工作阶段,会经历复位、补偿、发光,即一个驱动周期至少要干2到3件事,因此对电路驱动能力和面板上的负载都有一定要求。
它的一般工作思路是在补偿阶段把TFT的阈值电压Vth先储存在它的栅源电压Vgs内,在最后发光时,是把Vgs-Vth转化为电流,因为Vgs已经含有了Vth,在转化成电流时就把Vth的影响抵消了,从而实现了电流的一致性。
但是实际因为寄生参数和驱动速度等影响,Vth并不能完全抵消,也即当Vth偏差超过一定范围时(通常∆Vth≥0.5V),电流的一致性就不能确保了,因此说它的补偿范围是有限的。
外部补偿之Demura
外部补偿根据数据抽取方法的不同又可以分为光学抽取式和电学抽取式。光学抽取式是指将背板点亮后通过光学CCD照相的方法将亮度信号抽取出来,电学抽取式是指通过驱动芯片的感应电路将TFT和OLED的电学信号抽取出来。
两种方法抽取的信号种类不同,因此数据处理的方式也不同。光学抽取的方式具有结构简单,方法灵活的优点,因此在现阶段被广泛采用,即为我们平时所说的Demura。
对于面板厂而言,需要进行质量监控,因此在产线上均有技术员去检测判定mura,但是这种方法很主观,不同人的判定有差异,给品质管控带来很大的困扰。
因此技术人员开发出AOI设备进行mura的检测,以及检测到Mura后进行补偿消除Mura,即Demura。
OLED Demura技术,目前三星和LG处于领先的位置,但是Demura技术很复杂,均不能算成熟完美,国内各个厂家也在积极开发子自己的Demura技术,希望能够提升良率。这也就是为啥大家经常发现OLED屏幕出现阴阳屏、绿屏的原因。











